| SHEET 131A 4-6-2 LOCO CLASS A1 | Open |
| SHEET 131A LOCO TENDER CLASS A1 | Open |
| SHEET 132 SR 4-6-2 BATTLE OF BRITAIN CLASS LOCO R374 SPITFIRE. | Open |
| SHEET 132 PART NUMBER LISTING FOR ABOVE | Open |
| SHEET 133 SR 4-4-0 SCHOOLS CLASS LOCO R380 | Open |
| SHEET 133 R381 TENDER SCHOOLS CLASS | Open |
| SHEET 133A SR 4-4-0 LOCO SCHOOLS CLASS | Open |
| SHEET 133A TENDER DRIVE SR LOCO SCHOOLS CLASS | Open |
| SHEET 134 LMS 4-4-0 COMPOUND LOCO R376 | Open |
| SHEET 134 TENDER COMPOUND LOCO R377 | Open |
| SHEET 135 4-4-0 LNER LOCO R378 CHESHIRE | Open |
| SHEET 135 R054 TENDER FOR R378 LOCO CHESHIRE | Open |
| SHEET 136 GWR 4-4-0 COUNTY LOCO R392 | Open |
| SHEET 136 R393 TENDER FOR COUNTY LOCO | Open |
| SHEET 137 BR CLASS 58 LOCO R250 | Open |
| SHEET 137 MOTOR/CHASSIS ASSEMBLY X1737 CLASS 58 | Open |
| SHEET 137A BR CLASS 58 LOCO R250, R283, R705 | Open |
| SHEET 137A MOTOR/CHASSIS ASSEMBLY X1737 CLASS 58 | Open |
| SHEET 137B BR CLASS 58 LOCO AS PRODUCED FROM MID 1989 | Open |
| SHEET 137B MOTOR/CHASSIS ASSEMBLY X1737 CLASS 58 | Open |
| SHEET 138 DMU MOTOR BRAKE CAR | Open |
| SHEET 138 DMU 4 WHEEL POWERED BOGIE X1688 | Open |
| SHEET 139 0-6-0 LOCO CHASSIS | Open |
| SHEET 139A 0-6-0 LOCO CHASSIS | Open |
| SHEET 139A REPLACEMENT MOTOR 0-6-0 LOCO CHASSIS | Open |
| SHEET 141 CLASS 142 PACER TWIN RAILBUS | Open |
| SHEET 141A CLASS 142 PACER TWIN RAILBUR | Open |
| SHEET 145 CLASS 8F 2-8-0 LOCO | Open |
| SHEET 145 TENDER CLASS 8F LOCO | Open |
| SHEET 146 BR CLASS 90 ELECTRIC LOCO | Open |
| SHEET 146 4 WHEEL POWERED BOGIE X2749 FOR CLASS 90 LOCO | Open |
| SHEET 147 BR CLASS 91 ELECTRIC LOCO | Open |
| SHEET 147 4 WHEEL POWERED BOGIE X2818 CLASS 91 LOCO | Open |
| SHEET 149 4-6-2 LOCO PRINCESS CLASS | Open |
| SHEET 149 4-6-2 LOCO PRINCESS CLASS | Open |
| SHEET 149A 4-6-2 LOCO PRINCESS CLASS | Open |
| SHEET 155 GWR 2-8-0 LOCO | Open |
| SHEET 155 X1436 TENDER MECHANISM FOR GWR 2-8-0 LOCO | Open |
| SHEET 162 4-6-2 LOCO CORONATION CLASS | Open |
| SHEET 162 TENDER FOR LOCO CORONATION CLASS STREAMLINED | Open |
| SHEET 172 4-4-0 LOCO HUNT CLASS D49/2 | Open |
| SHEET 172 TENDER DRIVE FOR 4-4-0 LOCO HUNT CLASS | Open |
| SHEET 177 4-6-2 LOCO WEST COUNTRY/BATTLE OF BRITAIN CLASS | Open |
| SHEET 177 PART NUMBER LISTING FOR ABOVE | Open |
| SHEET 178 ELECTRICALLY OPERATED TURNTABLE R070 | Open |
| SHEET 178 ELECTRICALLY OPERATED TURNTABLE R070 | Open |
| SHEET 179 CLASS 373 EUROSTAR DRIVING MOTOR CAR | Open |
| SHEET 179 PART NUMBER LISTING FOR ABOVE | Open |
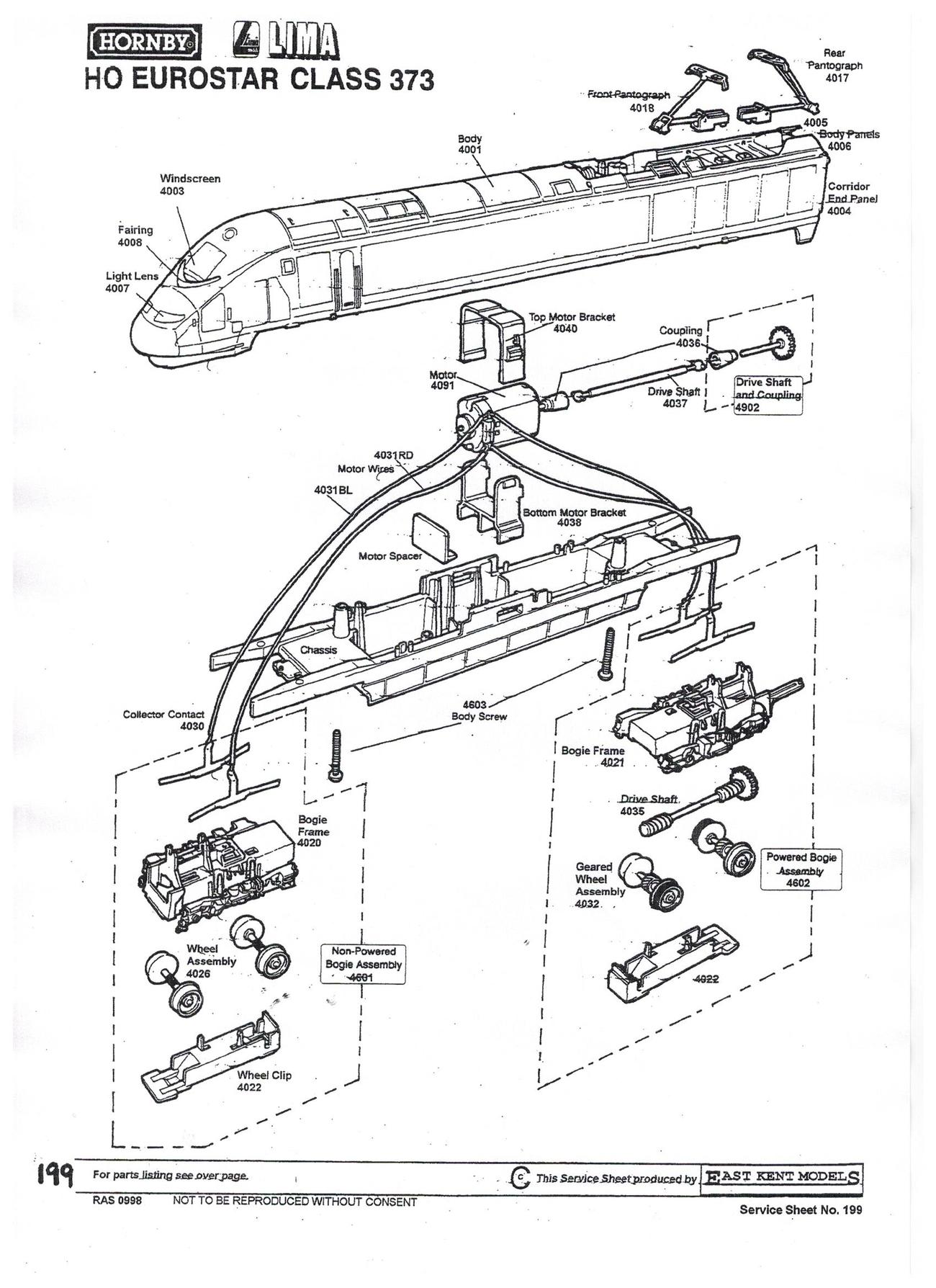
| SHEET 199 HO EUROSTAR CLASS 373 | Open |
| SHEET 199 PART NUMBER LISTING FOR ABOVE | Open |
Service sheet 2 of 2